压缩机属于高耗电的机械设备,所以在压缩机启动过程中可以采取不同的方式,一方面可以保护压缩机电机,延长使用寿命,另一方面也可以降低能耗。那么,不同的启动方式适用于哪些工况环境下呢?一起来看看!

压缩机的几种启动方式:
1)直接启动
2)星角启动
3)软启动方式
4)变频启动
5)其他

直接启动:
这种启动方式主要应用在小功率空压机上,启动电流一般为额定电流的7-8倍,启动瞬间对电网危害较大。
常用于相对较小的压缩机(制冷压缩机、空气压缩机等)。
通常由1接触器、1空开,1热继组成。

星角启动:
启动电流为额定电流的3-4倍,启动电流比直接启动电流小。
在星角切换过程中会有大约为额定电流4-6倍的尖峰电流。对电网及设备也有相当的危害。
目前由于成本原因,此方式广泛的应用在压缩机起停 中,但是随着软启动器和变频器的广泛应用。越来越多的应用被软启动器和变频所替代(尤其大功率的压缩机)。

软启动方式
采用软启动方式的好处:
减少维护:
传统的星角启动方式在电机启动过程中,接触器吸合断开会通过很大的电流,造成接触器寿命减少;
采用软启动器控制机组主电机,通过可控硅SCR的门极触发控制电路的控制,控制或限制电机启动电流。
增加系统可靠性:
传统星角启动方式,通过元件组合才能实现实现过载,欠载,相序保护,造成接线麻烦,故障率高,系统可靠性差;
软启动器本身集成多种保护,接线少,系统可靠性强。

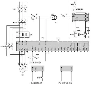
软启动方式:接线示意图

变频启动方式:
涵盖软启动器方式的所有优点。相对软启动方式具有更好的优点:
启动电流更小,1.5In以下,所以所需的电网容量也最小,启动最平稳。
可实现压缩机调速,根据实际负荷调整压缩机的转速,实现节能。
相对于软启动器,保护更加丰富,诊断更加容易,人机界面更加友好。
实现更多通讯方式,方便集成不同控制系统中。

离心式制冷机组变频控制-导叶和调速配合进行能量调节:
通过调节电动机转速和优化压缩机导流叶片位置,使机组在各种工况下,尤其部分负荷情况下,始终保持最佳效率。
当满负荷运转时,导叶全开,此时电机速度逻辑完全由温差控制,当冷负荷减小时,电动机转速减小,并通过压缩机的压头和系统最小允许转速来控制电机速度逻辑,直至最小转速,当最小转速时,控制导叶开启角度。

空气压缩机变频控制:
传统方式:储气罐压力控制压缩机加卸载,此种情况压力成波浪型。
变频方式:采用变频器控制方式,可以根据储气罐压力变送器信号调整变频器输出从而控制电机转速,达到排气压力平稳。

几种方式比较:

来源:方力空压机